![]() |

|
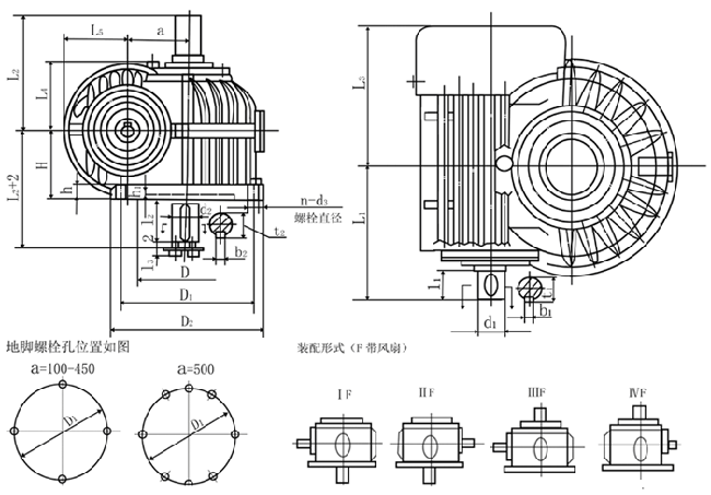
圆弧圆柱蜗杆减速机
型号\尺寸 |
a |
B1 |
B2 |
B3 |
B4 |
C1 |
C2 |
C3 |
D |
h |
h1 |
i≤12.5 |
||||
|
d1 |
I1 |
b1 |
t1 |
L1 |
||||||||||||
|
63 |
63 |
155 |
245 |
140 |
105 |
125 |
90 |
125 |
190 |
23 |
5 |
19js6 |
28 |
6 |
21.5 |
128 |
|
80 |
80 |
180 |
270 |
160 |
110 |
150 |
95 |
145 |
210 |
23 |
5 |
24js6 |
36 |
8 |
27 |
151 |
|
100 |
100 |
220 |
325 |
200 |
125 |
190 |
110 |
185 |
240 |
23 |
5 |
28js6 |
42 |
8 |
31 |
182 |
|
型号\尺寸 |
i≥16 |
d2 |
I2 |
b2 |
t2 |
L2 |
L3 |
L4 |
H |
d3 |
kg(不含油) |
||||
|
d1 |
I1 |
b1 |
t1 |
L1 |
|||||||||||
|
63 |
19js6 |
28 |
6 |
21.5 |
128 |
32k6 |
58 |
10 |
35 |
135 |
97 |
70 |
75 |
M12 |
19 |
|
80 |
24js6 |
36 |
8 |
27 |
151 |
38k6 |
58 |
10 |
41 |
143 |
110 |
81 |
80 |
M12 |
28 |
|
100 |
24js6 |
36 |
8 |
27 |
176 |
42k6 |
82 |
12 |
45 |
182 |
130 |
95 |
95 |
M12 |
42.5 |

|
圆弧圆柱蜗杆减速机
型号\尺寸 |
a |
D |
D1 |
D2 |
L3 |
L4 |
L5 |
h |
h1 |
H |
i≤12.5 |
||||
|
d1 |
I1 |
b1 |
t1 |
L1 |
|||||||||||
|
125 |
125 |
230 |
280 |
320 |
202 |
134 |
125 |
32 |
8 |
132 |
32k6 |
58 |
10 |
35 |
218 |
|
160 |
160 |
300 |
360 |
400 |
245 |
157 |
142 |
32 |
8 |
160 |
42k6 |
82 |
12 |
45 |
277 |
|
200 |
200 |
370 |
435 |
480 |
295 |
181 |
180 |
38 |
8 |
190 |
48k6 |
82 |
14 |
51.5 |
324 |
|
250 |
250 |
470 |
540 |
600 |
360 |
210 |
210 |
40 |
8 |
212 |
55k6 |
82 |
16 |
59 |
380 |
|
280 |
280 |
550 |
640 |
700 |
390 |
226 |
215 |
45 |
8 |
225 |
60m6 |
105 |
18 |
64 |
430 |
|
315 |
315 |
605 |
700 |
760 |
430 |
243 |
235 |
50 |
10 |
250 |
65m6 |
105 |
18 |
69 |
470 |
|
355 |
355 |
700 |
805 |
880 |
480 |
256 |
235 |
55 |
10 |
265 |
70m6 |
105 |
20 |
74.5 |
515 |
|
400 |
400 |
765 |
875 |
950 |
515 |
278 |
247 |
60 |
10 |
265 |
75m6 |
105 |
20 |
79.5 |
545 |
|
450 |
450 |
875 |
990 |
1070 |
565 |
300 |
275 |
65 |
10 |
315 |
80m6 |
130 |
22 |
85 |
625 |
|
500 |
500 |
1000 |
1100 |
1180 |
655 |
344 |
300 |
75 |
10 |
375 |
90m6 |
130 |
25 |
95 |
680 |
|
型号\尺寸 |
i≥16 |
d2 |
I2 |
b2 |
t2 |
L2 |
I3 |
地脚螺栓 |
kg(不含油) |
||||||
|
d1 |
I1 |
b1 |
t1 |
L1 |
d3 |
n |
|||||||||
|
125 |
28js6 |
42 |
8 |
31 |
202 |
55k6 |
82 |
16 |
59 |
222 |
14 |
M12 |
4 |
95 |
|
|
160 |
32k6 |
58 |
10 |
35 |
253 |
65m6 |
105 |
18 |
69 |
270 |
15 |
M16 |
4 |
150 |
|
|
200 |
38k6 |
58 |
10 |
41 |
300 |
80m6 |
130 |
22 |
85 |
325 |
17 |
M16 |
4 |
270 |
|
|
250 |
42k6 |
82 |
12 |
45 |
380 |
100m6 |
165 |
28 |
106 |
385 |
17 |
M20 |
4 |
410 |
|
|
280 |
48k6 |
82 |
14 |
51.5 |
407 |
110m6 |
165 |
28 |
116 |
405 |
17 |
M24 |
4 |
550 |
|
|
315 |
48k6 |
82 |
14 |
51.5 |
447 |
120m6 |
165 |
32 |
127 |
420 |
17 |
M24 |
4 |
750 |
|
|
355 |
55k6 |
82 |
16 |
59 |
492 |
130m6 |
200 |
32 |
137 |
470 |
17 |
M30 |
4 |
930 |
|
|
400 |
60m6 |
105 |
18 |
64 |
545 |
150m6 |
200 |
36 |
158 |
490 |
24 |
M30 |
4 |
1200 |
|
|
450 |
65m6 |
105 |
18 |
69 |
600 |
170m6 |
240 |
40 |
179 |
560 |
24 |
M36 |
4 |
1650 |
|
|
500 |
70m6 |
105 |
20 |
74.5 |
655 |
190m6 |
280 |
45 |
200 |
640 |
24 |
M30 |
6 |
2190 |
|

江苏重泰减速机有限公司
采购 泰兴减速机 请选择重泰减速机有限公司(原 泰兴减速机总厂)
全国咨询电话: 400-710-9918 传真:0510-80212333/85516654/85508340
座机:0510-80212111/80212555/80210978/85519221/85518416/85511836
邮箱:1051532995@qq.com 地址:无锡市解放北路16号