CWO圆弧圆柱蜗杆减速机采用单级蜗杆减速传动,符合行业推荐性标准JB/T7935-95(原国标GB9147-88),此标准达到国际九十年代水平。全系列共包括三种型号,16种中心距,12种速比。输入功率范围在0.39~189KW之间,输出扭矩在107~13500N·m之间。
圆弧圆柱蜗杆轴可正、反两个方向运转,输入转速不超过1500r/min,工作环境温度为-40~40℃时,必须采取冷却措施。
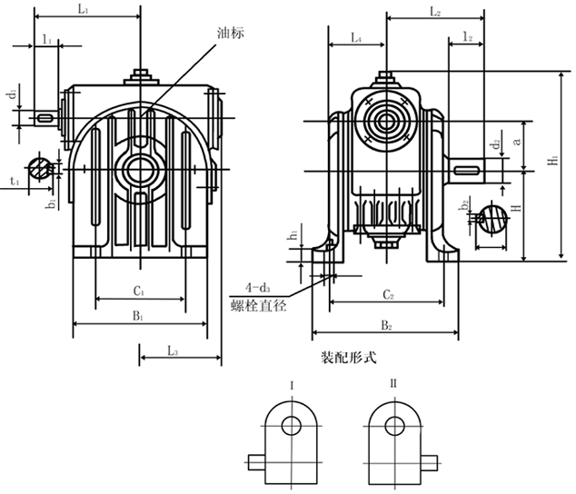
本产品具体型号

|
型号\尺寸 |
a |
B1 |
B2 |
C1 |
C2 |
h |
H |
H1 |
h1 |
i≤12.5 |
||||
|
d1 |
I1 |
b1 |
t1 |
L1 |
||||||||||
|
63 |
63 |
148 |
180 |
115 |
150 |
12 |
117 |
245 |
M12 |
19js6 |
28 |
6 |
21.5 |
128 |
|
80 |
80 |
175 |
200 |
140 |
170 |
15 |
145 |
296 |
M12 |
24js6 |
36 |
8 |
27 |
151 |
|
100 |
100 |
218 |
230 |
175 |
190 |
15 |
180 |
365 |
M12 |
28js6 |
42 |
8 |
31 |
182 |
|
型号\尺寸 |
i≥16 |
d2 |
I2 |
b2 |
t2 |
L2 |
L3 |
L4 |
重量(不含油) |
||||
|
d1 |
I1 |
b1 |
t1 |
L1 |
|||||||||
|
63 |
19js6 |
28 |
6 |
21.5 |
128 |
32k6 |
58 |
10 |
35 |
135 |
97 |
70 |
19.5 |
|
80 |
24js6 |
36 |
8 |
27 |
151 |
38k6 |
58 |
10 |
41 |
143 |
110 |
81 |
28 .5 |
|
100 |
24js6 |
36 |
8 |
27 |
176 |
42k6 |
82 |
12 |
45 |
182 |
130 |
95 |
43 |
|
型号\尺寸 |
a |
B1 |
B2 |
B3 |
C1 |
C2 |
h |
H |
H1 |
d2 |
i≤12.5 |
||||
|
d1 |
I1 |
b1 |
t1 |
L1 |
|||||||||||
|
125 |
125 |
260 |
250 |
310 |
220 |
205 |
30 |
155 |
410 |
M16 |
32k6 |
58 |
10 |
35 |
218 |
|
140 |
140 |
285 |
275 |
345 |
230 |
225 |
30 |
195 |
485 |
M16 |
38k6 |
58 |
10 |
41 |
228 |
|
160 |
160 |
325 |
300 |
385 |
230 |
250 |
35 |
195 |
510 |
M16 |
42k6 |
82 |
12 |
45 |
277 |
|
180 |
180 |
350 |
320 |
420 |
260 |
270 |
35 |
220 |
600 |
M20 |
42k6 |
82 |
12 |
45 |
292 |
|
200 |
200 |
400 |
350 |
465 |
280 |
300 |
40 |
250 |
655 |
M20 |
48k6 |
82 |
14 |
51.5 |
324 |
|
225 |
225 |
440 |
380 |
505 |
325 |
325 |
40 |
275 |
700 |
M20 |
48k6 |
82 |
14 |
51.5 |
342 |
|
250 |
250 |
510 |
410 |
575 |
370 |
350 |
45 |
310 |
820 |
M24 |
55k6 |
82 |
16 |
59 |
380 |
|
型号\尺寸 |
i≥16 |
d2 |
I2 |
b2 |
t2 |
L2 |
L3 |
L4 |
L5 |
重量 (不含油) |
||||
|
d1 |
I1 |
b1 |
t1 |
L1 |
||||||||||
|
125 |
28js6 |
42 |
8 |
31 |
202 |
55k6 |
82 |
16 |
59 |
222 |
202 |
133 |
153 |
98 |
|
140 |
28js6 |
42 |
8 |
31 |
212 |
60m6 |
105 |
18 |
64 |
260 |
220 |
144 |
166 |
110 |
|
160 |
32k6 |
58 |
10 |
35 |
253 |
65m6 |
105 |
18 |
69 |
270 |
245 |
156 |
186 |
150 |
|
180 |
32k6 |
58 |
10 |
35 |
268 |
75m6 |
105 |
20 |
79.5 |
290 |
260 |
173 |
200 |
210 |
|
200 |
38k6 |
58 |
10 |
41 |
300 |
80m6 |
130 |
22 |
85 |
325 |
295 |
188 |
235 |
270 |
|
225 |
38k6 |
58 |
10 |
41 |
318 |
90m6 |
130 |
25 |
95 |
340 |
320 |
193 |
247 |
335 |
|
250 |
42k6 |
82 |
12 |
45 |
380 |
100m6 |
165 |
28 |
106 |
385 |
360 |
210 |
285 |
410 |

江苏重泰减速机有限公司
采购 泰兴减速机 请选择重泰减速机有限公司(原 泰兴减速机总厂)
全国咨询电话: 400-710-9918 传真:0510-80212333/85516654/85508340
座机:0510-80212111/80212555/80210978/85519221/85518416/85511836
邮箱:1051532995@qq.com 地址:无锡市解放北路16号