Y系列(IP44)三相异步电动机(H80-H315)
Y系列(IP44)电动机是全封闭自扇冷式笼形三相异步电动机,具有高效、节能、起动转矩大、噪音低、振动小、可靠性高等特点。其功率等级及安装尺寸完全符合IEC标准。
Y系列(IP44)电动机是一般用途的电动机,适用于驱动无特殊性能要求的各种机械设备如机床、水泵、风机、压缩机、运输机、搅拌机、农业机械、矿山机械等。
Y系列(IP44)电动机额定电压为380V、额定频率为50Hz、绝缘等级为B级、防护等级为IP44、安装型式有:Y80-Y160
IMB3、B5、B6、B7、B8、B35、V1、V3、V5、V6、V15、V36
Y80-Y225 IMB3、B5、B35、V1
Y250-Y315 IMB3、B35、V1
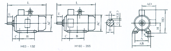
安装尺寸
V1机座不带底脚 、端盖无凸缘

B3机座带底脚、 端盖无凸缘


江苏重泰减速机有限公司
采购 泰兴减速机 请选择重泰减速机有限公司(原 泰兴减速机总厂)
全国咨询电话: 400-710-9918 传真:0510-80212333/85516654/85508340
座机:0510-80212111/80212555/80210978/85519221/85518416/85511836
邮箱:1051532995@qq.com 地址:无锡市解放北路16号