您好,欢迎进入江苏重泰减速机有限公司的官方网站 | 微信公众平台
全国客户服务热线
400-710-9918
我的订单 购物车

当前位置:首页 > 产品展示 > 电机 > YZ系列 >

YZ系列6P起重及冶金用三相异步电动机



注:由于市场价格时有波动,以下价格仅供参考,实际以销售人员报价为准,详情请拨打:13861821233

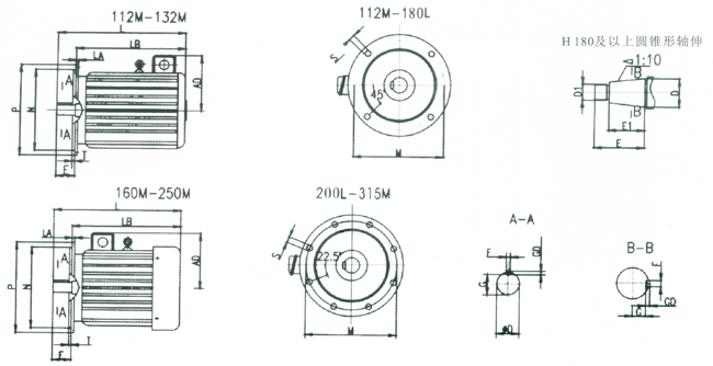
一、YZ112-250 IM1安装尺寸与外形尺寸 二、YZR112-250 IM3安装尺寸与外形尺寸 YZ系列起重及冶金用三相异步电动机 YZ系列起重及冶金用三相异步电动机适用于各种型式的起重机械及冶金辅助设...
产地:中国>江苏>泰兴
供应商:江苏重泰减速机械有限公司
点这里给我发消息
电话:0510-80212111 13861821233 传真:0510-80212333
在线咨询 在线预订

一、YZ112-250 IM1安装尺寸与外形尺寸

二、YZR112-250 IM3安装尺寸与外形尺寸

YZ系列起重及冶金用三相异步电动机
  YZ系列起重及冶金用三相异步电动机适用于各种型式的起重机械及冶金辅助设备的电力传动,能在短时、断续周期性工作制工作,适用于频繁正反转等工作状态。YZ系列电动机能在额定电压下直接起动,具有起动力矩大、起动电流小、机械强度高等特点。

产品列表


扫描二维码关注泰兴减速机
或者手动添加手机号 /微信号
18851572910
首页 | 齿轮减速机 | 摆线针轮减速机 | 四大系列 | 行星减速机 | 精密行星减速机 | 蜗轮蜗杆减速机 | 电动滚筒 | 电机 | H/B系列齿轮箱 | RV系列减速机 | 机械密封 | 搅拌装置总成部件 | 搅拌机架 | 变频器/伺服 | 三菱产品 | 联轴器 | 搅拌机 | 搅拌桨 | 新闻中心 | 客户案例 | 售后服务 | 联系方式 whc减速机,cwo减速机,scw减速机,whs减速机,cws减速机,wps减速机,wpa减速机

江苏重泰减速机有限公司
采购 泰兴减速机 请选择重泰减速机有限公司(原 泰兴减速机总厂

全国咨询电话: 400-710-9918 传真:0510-80212333/85516654/85508340
座机:0510-80212111/80212555/80210978/85519221/85518416/85511836
邮箱:1051532995@qq.com 地址:无锡市解放北路16号

COPYRIGHT © 江苏重泰减速机有限公司 ALL RESERVED. 备案号:苏ICP备16024179号-1 隐私政策