一、产品特点
NBZD型行星齿轮减速机主要有如下特点:
1、重量轻、体积小、在相目条件下比硬齿面渐开线圆柱齿轮减速机重量减轻1/2以上,体积缩小1/2-1/3
2、传动效率高:单级行星减速嚣n=0.98、两缓行星减速机n=0.96、三级行星减速机n=0.94
3、传动功率范目大,可由小于1千瓦到上万千瓦,且功率越大优点越突出,经济效益越高
4、装配型式多样,可多面安装,适用性广,在符合给定制造条件下,运转平衡、噪音小。
5、采用优质低碳台金钢渗碳淬火,外齿轮为6级精进工业国家同类产品水平。
二、适用条件
NBZD型行星齿轮减速机主要适用于冶金,矿山,运输、建材,轻工、能源、交通等行业,高速轴转速按其规格:200-800者不大于1500r/min,900-1000者不大于1000r/min。
齿轮的圆周速度不大于15-20m/s,
工作环境温度为-40~+45℃,低于0℃,启动前润滑油应予热至0℃以上。可正反两像运转。
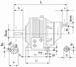
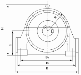
三、产品外形及安装尺寸
装配型式:

NBZD型齿轮箱外形及安装尺寸(250-560)mm



NBZD型齿轮箱外形及安装尺寸(560-1600)mm
装配型式:





江苏重泰减速机有限公司
采购 泰兴减速机 请选择重泰减速机有限公司(原 泰兴减速机总厂)
全国咨询电话: 400-710-9918 传真:0510-80212333/85516654/85508340
座机:0510-80212111/80212555/80210978/85519221/85518416/85511836
邮箱:1051532995@qq.com 地址:无锡市解放北路16号