
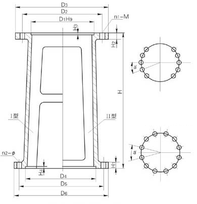
| 本系列机架可与各种立式摆线针轮减速机相配,可配套选用各种联轴器,若与齿轮减速机配套,连接尺寸由本公司自选调整,为安装双端面机械密封,配备LWJ、LDJ、LSJ等增高型,除LWJ的H值和LDJ、LSJ的H及H2值增大以外,其余尺寸均未变动。 |
![]() |
|||||
| 型号标定意义及示例 | ||||||
|
||||||
| 注:WJ型、DJ型、DXJ型-30A/B、35A、40B、45A四种机架底面为Ⅰ型和Ⅱ型(Ⅰ型不须标柱,Ⅱ型须在型号后面注Ⅱ、Ⅱ型a°=30°,n2-φ为12-14)其余机架为Ⅱ型(不须标注) |
WJ、LWJ型无支点机架主要参数及尺寸
| 机架代号 | H1 | H2 | H3 | H4 | 输入端接口 | 输出端接口 | WJ型 | LWJ型 | |||||||||
| D1 | D2 | D3 | n1-M | D4 | D5 | D6 | a° | n2-φ | H | 重量(kg) | H | 重量(kg) | |||||
|
30 LWJ B |
20 | 15 |
4 |
6 |
140 |
160 230 |
190 260 |
4-M10 6-M12 |
240 | 285 | 315 |
Ⅰ20 Ⅱ30 |
10-φ14 12-φ14 |
450 | 34 | 600 | 43 |
|
WJ A 35 LWJ B |
24 | 15 | 5 | 6 |
170 |
200 | 230 |
6-M10 6-M12 |
260 | 320 | 360 |
Ⅰ20 Ⅱ30 |
10-φ14 12-φ14 |
500 | 46 | 650 | 54 |
|
WJ A 40 LWJ B |
24 | 15 | 4 | 6 |
200 230 |
230 260 |
260 |
6-M10 6-M12 |
260 | 320 | 360 |
Ⅰ20 Ⅱ30 |
10-φ14 12-φ14 |
500 | 46 | 650 | 54 |
|
WJ A 45 LWJ B |
24 | 15 | 5 | 6 | 200 | 230 | 260 |
6-M10 6-M12 |
260 | 320 | 360 |
Ⅱ20 Ⅱ30 |
10-φ14 12-φ14 |
500 | 49 | 650 | 57 |
|
WJ A 55 LWJ B |
30 | 20 |
6 5 |
6 | 270 |
310 305 |
340 |
6-M10 8-M16 |
325 | 400 |
435 |
30 | 12-φ14 | 540 | 75 | 690 | 83 |
|
WJ 65A LWJ |
34 | 20 | 6 | 6 | 316 | 360 | 400 |
8-M12 8-M16 |
350 | 420 | 460 | 30 | 12-φ18 | 600 | 96 | 750 | 107 |
|
WJ A 70 LWJ B |
34 | 20 |
6 5 |
6 |
316(320) 320 |
360 | 400 |
8-M12 8-M16 |
350 | 420 | 460 | 30 | 12-φ18 | 600 | 96 | 750 | 107 |
|
WJ A 80 LWJ B |
38 | 25 |
6 5 |
8 |
345 360 |
390 410 |
430 460 |
8-M16 8-M20 |
380 | 455 | 495 | 30 | 12-φ18 | 640 | 130 | 790 | 139 |
|
WJ A 90 LWJ B |
40 | 25 | 7 | 8 | 400 | 450 | 490 |
12-M16 12-M20 |
430 | 510 | 555 | 30 | 12-φ23 | 660 | 168 | 860 | 183 |
|
WJ A 100 LWJ B |
40 | 25 |
9 5 |
10 |
455(460) 470 |
520 | 580 | 12-M20 | 480 | 560 | 600 | 22.5 | 165-φ23 | 700 | 205 | 900 | 224 |
|
WJ A 110 120A LWJ B |
40 | 30 |
11 6 |
10 | 520 | 590 | 650 | 12-M20 | 560 | 650 | 700 | 22.5 | 16-φ27 | 800 | 257 | 1000 | 274 |
|
WJ A 130 140A LWJ B |
44 | 30 |
11 9 |
10 | 680 | 800 | 880 | 12-M30 | 720 | 810 | 880 | 18 | 20-φ27 | 900 | 318 | 1200 | 365 |
|
WJ A A 150 160 LWJ B B |
50 | 35 |
14 10 |
12 | 820 | 940 | 1020 | 16-M30 | 840 | 940 | 1020 | 22.5 | 16-φ33 | 1000 | 420 | 1300 | 480 |
|
WJ A 180 LWJ B |
55 | 40 |
14 10 |
12 | 960 | 1080 | 1160 | 20-M30 | 970 | 1080 | 1160 | 18 | 20-φ33 | 1100 | 560 | 1400 | 630 |
注:增高后的LWJ型机架,其内部中间高度可同时容纳207型双端面机械密封及SF型三分式联轴器。

江苏重泰减速机有限公司
采购 泰兴减速机 请选择重泰减速机有限公司(原 泰兴减速机总厂)
全国咨询电话: 400-710-9918 传真:0510-80212333/85516654/85508340
座机:0510-80212111/80212555/80210978/85519221/85518416/85511836
邮箱:1051532995@qq.com 地址:无锡市解放北路16号