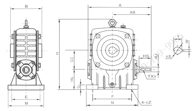
WPKA系列蜗轮蜗杆减速机的外形尺寸及安装尺寸.机座号从40到250,可选速比从10到60.WPKA减速机轴输入,孔输出.WPA系列蜗轮蜗杆减速机选型指南,选型方法,WPKA减速机轴指向表示方法如下




江苏重泰减速机有限公司
采购 泰兴减速机 请选择重泰减速机有限公司(原 泰兴减速机总厂)
全国咨询电话: 400-710-9918 传真:0510-80212333/85516654/85508340
座机:0510-80212111/80212555/80210978/85519221/85518416/85511836
邮箱:1051532995@qq.com 地址:无锡市解放北路16号