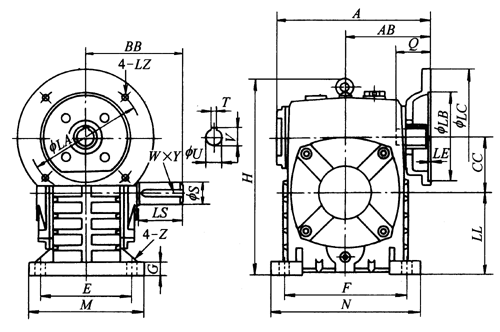
WPDS50、WPDS60、WPDS70、WPDS80、WPDS100、WPDS120、WPDS135、WPDS155、WPDS175、WPDS200、WPDS250、型蜗轮蜗杆减速器主要尺寸

|
规格 |
输入功率/kW |
减速比 |
A |
AB |
BB |
CC |
H |
HL |
LL |
M |
N |
E |
F |
G |
Z |
|
50 |
0.18 |
1/10 1/15 1/20 1/25 1/30 1/40 1/50 1/60 |
151 |
83 |
97 |
50 |
176 |
50 |
80 |
120 |
140 |
95 |
110 |
15 |
12 |
|
60 |
0.37 |
167 |
91 |
112 |
60 |
204 |
60 |
90 |
130 |
150 |
105 |
120 |
20 |
12 |
|
|
70 |
0.37 |
200 |
109 |
131 |
70 |
236 |
70 |
105 |
150 |
190 |
115 |
150 |
20 |
15 |
|
|
0.75 |
202 |
111 |
|||||||||||||
|
80 |
0.75 |
225 |
125 |
142 |
80 |
268 |
80 |
120 |
170 |
220 |
135 |
180 |
20 |
15 |
|
|
1.5 |
|||||||||||||||
|
100 |
1.5 |
280 |
148 |
169 |
100 |
336 |
100 |
150 |
190 |
270 |
155 |
220 |
25 |
15 |
|
|
120 |
2.2 |
333 |
181 |
190 |
120 |
430 |
120 |
180 |
230 |
320 |
180 |
260 |
30 |
18 |
|
|
3.0 |
|||||||||||||||
|
135 |
3.0 |
375 |
202 |
210 |
135 |
480 |
135 |
215 |
250 |
350 |
200 |
290 |
30 |
18 |
|
|
4.0 |
|||||||||||||||
|
155 |
5.5 |
448 |
247 |
252 |
155 |
531 |
135 |
235 |
275 |
390 |
220 |
320 |
35 |
21 |
|
|
175 |
5.5 |
481 |
262 |
262 |
175 |
600 |
160 |
260 |
310 |
430 |
250 |
350 |
40 |
21 |
|
|
7.5 |
|||||||||||||||
|
200 |
11.0 |
543 |
285 |
305 |
200 |
666 |
175 |
290 |
360 |
480 |
290 |
390 |
40 |
24 |
|
|
250 |
11.0 |
615 |
330 |
360 |
250 |
800 |
200 |
350 |
460 |
560 |
380 |
480 |
45 |
28 |
|

江苏重泰减速机有限公司
采购 泰兴减速机 请选择重泰减速机有限公司(原 泰兴减速机总厂)
全国咨询电话: 400-710-9918 传真:0510-80212333/85516654/85508340
座机:0510-80212111/80212555/80210978/85519221/85518416/85511836
邮箱:1051532995@qq.com 地址:无锡市解放北路16号